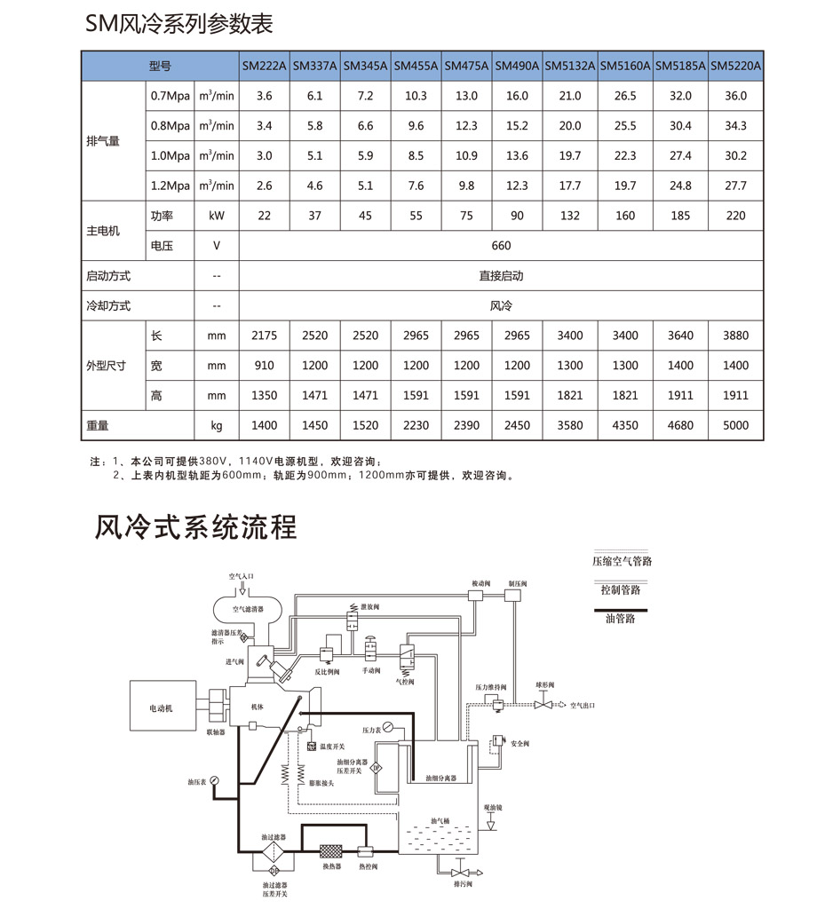
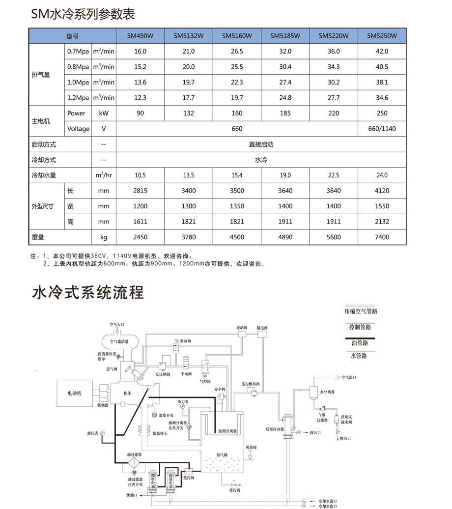
产品分类

SM系列

发布时间:2017-2-7 12:39:51